A Konus távcsövek különböző típusaiba különböző technikai megoldásokat építettek a tervezők. Ezeknek a technikai megoldásoknak sokszor saját elnevezésük is van, mint például a Konus Impact System.

Ezeknek a technikai megoldásoknak a pontosabb magyarázatát találja meg ezen az oldalon. A magyarázó szöveg mellé 1-1 piktogram is kerül, amelyet a terméknél is megtalálhat.

Oldalsó parallaxis kerék:

A parallaxis egy olyan feltétel, ami akkor lép fel, ha a távcsövön megfigyelt kép nincs pontosan fókuszban a célkereszt síkján. A parallaxis megfigyelhető/észrevehető, mint egy szemmel látható mozgás a cél és a célkereszt között, amikor a lövész elmozdítja a fejét, a kép kikerül a fókuszból.

Általában a sztenderd (standard) távcsövek 100 yard-on parallaxis mentesek, de a legtöbb M30-F30 modell egy kerékkel van felszerelve, ami lehetővé teszi a parallaxis automatikus korrekcióját 100 yard-tól a végtelenig.

Ez a kerék a távcső bal oldalán található, dimenzióját oly módon növelték, hogy különböző távolságok olvasását lehetővé tegye és kesztyű viselése mellett is használható legyen.

Taktikai (forgó)fej / "Konus Impact System":

Néhány M30-F30 modell windage (kaliberkülönbség) és elevation (szögmagasság) feje (tornya) fel van szerelve egy olyan új gyors-záró rendszerrel, amit "Konus Impact System"-nek hívnak.

Ez dupla előnnyel jár a felhasználó számára :

  • a tornyot nem csak sokkal gyorsabban lehet mozgatni, mint a szenderd távcsöveknél,
  • de pozícióban is lezárhatók, ami biztosítja, hogy a beállítás ne mozduljon el még ha a távcsőnek extrém használatot (rongálást vagy rossz használatot) is kell elviselni a terepen.

Anti-dőlés(hajlás) szintbuborék:

A távoli lövésre specializálva néhány M30-F30 távcső rendelkezik anti-dőlés rendszerrel, amelyet a legnagyobb precizitás elérésére fejlesztettek ki még a legkorlátozóbb lövések folyamán is.

Az okulár belsejében van egy szint buborék szint, ami fluoreszkáló folyadékkel van feltöltve, hogy mindenféle látási viszonyok között látható legyen. A buborék pozíciója/elhelyezkedése nem rontja (torlaszolja el) a látóteret és lehetővé teszi a lövész számára, hogy felmérje, vajon a leghatékonyabb és kiegyensúlyozottabb módon veszi-e célba a célpontot.

Ez egy hatalmas ipari vívmány, egy igazi forradalmi lépés, melyet a Konus büszkén kínál vásárlóinak, mint világszerte exkluzív felszerelést(elemet).

Gyorsan fókuszáló szem:

Ez a tulajdonság lehetővé teszi, hogy a távcsövet gyorsan hozzá tudja igazítani a mindenkori lövész egyéni szem/ látás tulajdonságaihoz, így biztosítva a célzás közben létrejövő legnagyobb pontosságot.

Vízálló szerkezet:

Az M30-F30 távcsövet úgy építettük meg, hogy ellenálljon a legdurvább időjárási körülményeknek is, miközben kifogástalan teljesítményt nyújt. Az érdes szerkezet 100%-ban vízálló és mind nitrogén fújt, mind 0-gyűrű tömítéssel ellátott, hogy megakadályozzon minden eső, hó, köd vagy pára, nedvesség beszivárgást.

Egy valódi 30 mm csőátmérőjű darab:

A piac tele van olyan távcsövekkel, melyeknek külső átmérője kívülről 30 mm átmérőre utal, míg a belső átmérő csak 25 mm.

Az M30-F30 modellek ezzel szemben valódi 30 mmátmérővel bírnak, amely magas szinvonalú fényösszegyűjtő kapacitást jelent és ezért páratlan látásminőséget is.

Felpattintható tető a szemlencséhez és az objektívhez:

Az M30-F30 modellek erős fekete műanyagból készült védőtetővel vannak ellátva, hogy a lencsének és az objektívnek védelmet biztosítsanak. Ezek Flip-up típusúak, ezért gyorsan nyithatóak és ujjnyomásra könnyen záródnak.

Napellenző:

A legtöbb M30-F30 távcsőhöz tartozik egy menettel ellátott napellenző is (kivéve a 7284-7285 modelleket), amelyet az objektívre lehet felcsavarni és segít csökkenteni a vakító, ragyogó fényt és felerősíti a kontrasztot világos fényviszonyok esetében csakúgy, mint csökkenti a légtökrözés (délibáb) jelenségét/hatását.

Gravírozott üveg 30/30 célkereszt:

Ez a célkereszt mindig is a mohó vadászok kedvence volt világszerte és kitűnő választás a legtöbb vadászathoz közelre, vagy középtávra.

Az M30 távcső esetén a célkereszt egy precíziós üvegre van gravírozva, így ellenáll a legerősebb fegyverek legkeményebb rúgásának is.

Nagyítás:

Az M30 és F30 vonalak választékot kínál a nagyítás tekintetében, mivel jelenleg 10 modell kapható és ezek a legerősebb egységek tartalmazzák az egész iparban.

Teljesítmény (nagyítás) 
A távcső első száma (4X32) a nagyítás teljesítméye/erőssége. Például a 4X azt jelenti, hogy a célpontot 4szer közelebbre hozza, mintha puszta szemmel látnánk.

  • Tipikusan a nagy erősségű nagyítókat a mozdulatlan célpontokra vagy sziluettre használják, valamiféle alátámasztással (állvány).
  • Az alacsonytól a középerős távcsövek ( 1.5 -10X ) élesebb képet adnak és szélesebb látókört. Ezek ideálisak sűrűbb levélzettel, növényzet esetén. Szintén ez a legjobb választás, ha közelre vagy középtávra lövünk vagy mozgó célpontra

Látószög:
A szélesség vagy kereszt-távolság, amely a távcsövön keresztül látható. Azt láb (feet)-ban fejezzük ki 100 yard távolságban. Jellemzően, ha növeljük a nagyítást, akkor csökken a látótér.

Klik érték:
Gyakran úgy emlegetik, mint "windage és elevation" beállítás. Ez a tulajdonság lehetővé teszi, hogy a távcső célzópontja pontosan hozzá legyen igazítva a kijelölt növeléshez. Pl. 0.25" ( 0,63 cm) klik érték meg fogja változtatni a becsapódási pontot 1/4" 100 yardon, vagy fel, vagy le, jobbra vagy balra, attól függően, hogy melyik gombot állítjuk.

Szem-váltás: 
A távcsövet eltartva a szemtől teljes látóteret biztosít. A hosszabb "eye-relief" a lövészek biztonságosabb és kényelmesebb távolságot nyújt rúgáskor és lehetővé teszi a szemüvegeseknek, hogy teljesen egyenértékűen használhassák a távcsövüket.

1/10 Mil fej/torony (turret):

Az 1/10 Mil torony ideális választás, ha Mil Dot célkereszttel párosítjuk, mivel maximális precizitást nyújt a lehető legrövidebb idő alatt.

Mikor lősz, valójában könnyedén fel tudod mérni (Mil viszonylatban) hol csapódott be a golyó a célponthoz képest és könnyen, gyorsan elvégezhető a szükséges korrekció/beállítás.

Például, ha a golyód 2 Mil -el balra ls 1 Mil-el alacsonyabbra csapódott a céltól: annyi a teendő, hogy a távcsövet 20 klikkel jobbra (20 klikk= 2 Mil) és 10 klikkel fel (10 klikk = 1 Mil) kell igazítani és kész vagy a következő lövésre.

Ha ehelyett MOA beállítással rendelkezne a távcsöved, akkor el kellene végezni az átszámítást a Mil és a MOA között, ami nem mindig gyors és praktikus. Ez magyarázza, hogy miért vált az 1/10 Mil fej/torony felbecsülhetetlenül értékes felszereléssé a terepen (harctéren), ahol a gyors reakció elsődleges fontosságú és nincs alkalom hibázni.

A Konuspro ?-30 és F-30 modellek, melyek ezzel a tulajdonsággal rendelkeznek:

# 7280 , #7281, #7282, #7286, #7297, #7298 és #7299

Célkereszt az első gyűjtősíkban (Európai szerkezeti rendszer):

Az F30 távcső az európai rendszernek megfelelően készült, így a célkereszt az első gyűjtősíkon helyezkedik el. Ennek a konfigurációnak az az előnye, hogy a célkereszt mérete zoomoláskor változik, agy lehetővé teszi a harcászati célkereszt (tactical reticle) használatát, - mint például a Mil-Dot - optikai távolságmérés céljából bármilyen adott nagyításnál.

Célkereszt a második gyűjtősíkban (Amerikai szerkezeti rendszer):

Míg az európai rendszer az első síkon helyezik el a célkeresztet, az M30 távcső amerikai rendszer szerint készült, így a második gyűjtősíkon található a célkereszt.

Ez fontos, ha nagyon apró célpontra lövünk nagy távolságból.

Teljes többszörösen bevont optikák:

Minden lencse és prizma az M30 és F30 távcsövek teljes testében 10 rétegű bevonattal rendelkezik minden levegő-üveg felületen, így biztosítva a maximális fénytovábbítást/ átjutást. ( Több, mint 95%)

Célkereszt az első gyűjtősíkban:

A kép szemlélteti a különbséget az első gyűjtősíkos és második gyűjtősíkos távcsövek szerkezete között. Ezt a különbséget könnyen azonosíthatjuk zoom gyűrű használatával. Ha erős nagyításra zoomolsz az első síkos távcsőnél megnő a célkereszt. Ha kizoom-olsz (kisebb nagyításra) a célkereszt kisebb lesz.

Ezzel ellentétben, ha második gyűjtősíkos távcsövet használsz a célkereszt mérete sohasem változik zoom-oláskor. A célkereszt méretének változása fontos szerepet játszik harcászati célkereszt esetében (tactikal reticle), mint a Mil-Dot : első síkos távcsőnél a célpont/célkereszt arány folyamatosan állandó minden nagyítás alatt a becsapódás pontjának változása nélkül. Így a célkeresztet használhatod távolságmérő célból minden nagyításnál. Ezzel szemben a második gyűjtősíkos távcső esetében a távolság számítása csak adott nagyításnál lehetséges (általában 10X vagy 12X) .

A legigényesebb távlövészek (nagy lőtávolságra), mint a katonai orvlövészek, jobban kedvelik az alső gyűjtősíkos távcsövet, hogy kihasználhassák a nagyobb pontosság előnyeit.

Módosított Mil-Dot célkereszt:

Néhány célkereszt, eredetileg harcászati célokra kifejlesztve, lehetővé teszi számodra, hogy pontosan megmérd a célponttól való távolságot, ha tisztában vagy a cél méretével.

Ha a célkereszt a második gyűjtősíkban található, a távolság mérése csak bizonyos nagyításnál lehetséges. (ált. 10X vagy 12X)

Ha a célkereszt az első gyűjtősíkon van, a cél/célkereszt arány sosem változik, így a távcsövet bármilyen nagyításnál használhatod, ha a célpont távolságát akarod meghatározni.

A legnépszerűbb választás a harcászati célkeresztek közül a Mil-Dot.

A mi Konuspro F3 sorozatunk a Mil-Dot módosított verzióját felhasználva készült. a nagyobb pontosság és precizitás érdekében : a tér két jelzés (hash mark) között nem 1 Mil ( mint a sztenderd konfigurációknál), hanem 1/2 Mil.

Továbbá a világító "quick-peep" középső fonalkereszt nem gátolja a látást semmilyen esetben, még apró célpont vagy nagy lőtávolság esetén sem.

30/30 Célkereszt:

Négy vastag vonal, egymástól ellentétes oldalakon, csatlakoztatva egy finom célkereszttel, amely a központban összeér. A 30/30-as irányzék egyik legfontosabb jellemzője, hogy képes a távolság mérésére. A vastag oszlopok (végükig) egyenlőek 30’’(75cm) átmérőjű 4x @ 100 yardon (91m).

(tájékoztatásul: 30"a hozzávetőleges távolság egy átlagos méretű felnőtt szarvas mellkasától a farig)


Ha ugyanaz a 30’’-os célpont távolabb húzódik az irányzéktól, akkor ez 200 yardra (182m) és így tovább változik.

Aim-pro célkereszt:

Exkluzív Konus irányzék, sörétes puskánkkal, elöltöltős fegyverünkkel illetve számszeríjunkkal együtt használható, hogy a körök pontos célpontot nyújtsanak a gyémánt közepén.

Ez a kettős célpont segít a távolság megállapításában is, egy pulyka feje 40 yardról (36.5 m) tölti ki a gyémánt alakot, míg egy felnőtt szarvas célkörzete kitölti a kilátást 75 yardról (68.5 m) nézve.

Megvilágított célkereszt:

Célkereszt, amely képes arra, hogy piros színnel világítson, vagy izzon.

Kiváló választás gyenge fényviszonyok között, vagy rendkívül sötét célpont esetén. A megvilágítás intenzitása feljebb vagy lejjebb állítható minden a fényviszonyhoz.

Gravírozott/vésett célkereszt:

A célkeresztet egy precíziós üvegbe vésték egy vékony drót használata helyett.

A gravírozott célkeresztről köztudott, hogy rendkívül masszív, segít kiküszöbölni a törést vagy az esetleges eltolódást. Minden KonusPro céltávcső vésett célkereszttel lett tervezve.

Üveg-maratott mil-dot célkereszt:

Ez a különleges taktikai irányzékot eredetileg az amerikai Tengerészgyalogos Hadtest számára fejlesztették ki, hogy a mesterlövészek képesek legyenek pontosan felmérni a távolságot a célponttól, illetve tudjanak kompenzálni az erős széllökések esetén.

Az M30 és F30 céltávcsöveken, ezek a célkeresztek is vésett precíziós üvegből készülnek, ami azt jelenti, hogy soha nem fogják eltörni, vagy eltávolítani a spint akkor sem, ha használt fegyver erősen visszarúg.


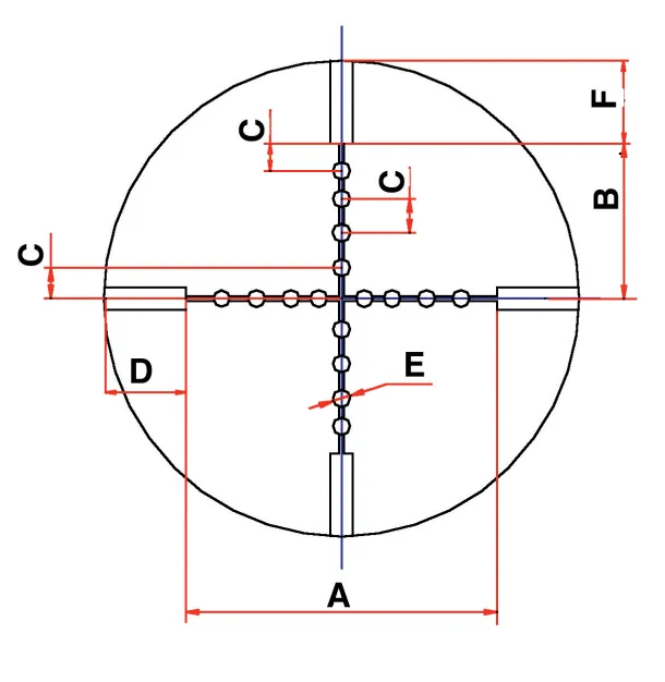
 M.O.AMIL.
A34 - 3810
B17,195
C3,441
D63,0318,3
E0,690,2
F63,0318,3

550 ballisztikai célkereszt:

Ez irányzék lehetővé teszi, hogy a lehető legnagyobb pontossággal lőjön 550 yardig, így hatékonyan viszi a határozottságot a következő szintre és drámaian javítja a pontosságot.

Egy olyan célzó rendszerrel működik, amelynek pontjai a különböző távolságokat jelölnek, illetve a legnépszerűbb központi és lőpor tölteteken alapulnak.

Továbbá, önnek is biztosítva van egy oldalsó kettős kereszt, amely lehetővé teszi a kompenzációt erős széllökések esetén.

Ezért ez az irányzék ideális a teljesítményorientált távolsági lövőknek, akik páratlanul magabiztosak kívánnak lenni, mikor nehezen végrehajtható lövést végeznek.

275 ballisztikai célkereszt:

Ez a célkereszt, mely több célpontot is felvázol, amelyek a 75-275 yardra vannak kalibrálva, ez egybeesik a legnépszerűbb lőporos töltetekkel.

Hozzáadott oldalsó kettős kereszttel, a szél kompenzációjára. Az irányzék következésképpen rendelkezik egy tagadhatatlan előnnyel, tekintve a javult a pontosságot, valamint a jobb teljesítményt.